SHIROのIchigoJam日記

マイコン「IchigoJam」(イチゴジャム)の電子工作とプログラミングをメインに

2018-07-01から1ヶ月間の記事一覧

野球盤7Seg

「野球盤」の7セグメントバージョンを作りました。数字が表示できるので、イニングやスコアの管理もIchigoJamがやります(^_^) プレイ動画はこちら。撮影のためにテストプレイしたら壮絶な試合になりました…。動画が15分あるので注意してください。 ちなみに…

PK戦ボード

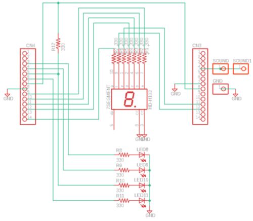
IchigoJamでサッカーのPK戦が遊べる拡張基板です。 プレイ動画はこちら。 左か右か、蹴る方向をボタンで選択。キーパーの逆を突いてゴールが決まると、下の7セグメントLEDに得点が表示されます。 部品表 基板データ Fusion PCB用ガーバーデータ(ZIP) *こ…

メイカーズバザール大阪に出展します

7/7(土)〜8(日)に大阪南港ATCで開催される「メイカーズバザール大阪」に個人的にブースを出展します(^_^) IchigoJam工作物をいろいろ出します。皆さんよろしかったらおいでください。 http://makersbazaar.jp/ サークル名:IchigoJaMan スペース:12階 A…

野球盤Jam

シールド基板で、昔懐かしい「野球盤」を作ってみました。 たった11個のLEDでも、キミの想像力があればここはスタジアムだ!(^_^) プレイ動画はこちら。 遊び方 LEDは、投球と塁上のランナーを表す黄色4個と、打撃結果やアウトカウント・得点を表す赤色7個が…

LED Star

LEDを星形に5個並べたシールド基板です。 電子工作・プログラミング教室での女の子ウケを狙って作ってみました(^_^) 光らせ方はプログラム次第ですが、以前に作った「カセットテープJam」のプログラムを流用して、季節外れですが「ジングルベル」を奏でてみ…