SHIROのIchigoJam日記

マイコン「IchigoJam」(イチゴジャム)の電子工作とプログラミングをメインに

2021-10-27から1日間の記事一覧

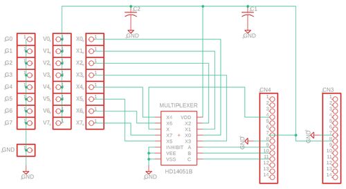
8入力ボード

電子工作マガジン秋号でサンハヤトのタッチセンサピアノが紹介されていたので、同様の機能をIchigoJamの拡張基板で作ってみました。 動画はこちら。 www.youtube.com IchigoJamの標準機能でもポートをOUT→INへ切り替えれば8本の入力が取れるのですが、今回は…