電子工作マガジン秋号でサンハヤトのタッチセンサピアノが紹介されていたので、同様の機能をIchigoJamの拡張基板で作ってみました。
動画はこちら。
www.youtube.com

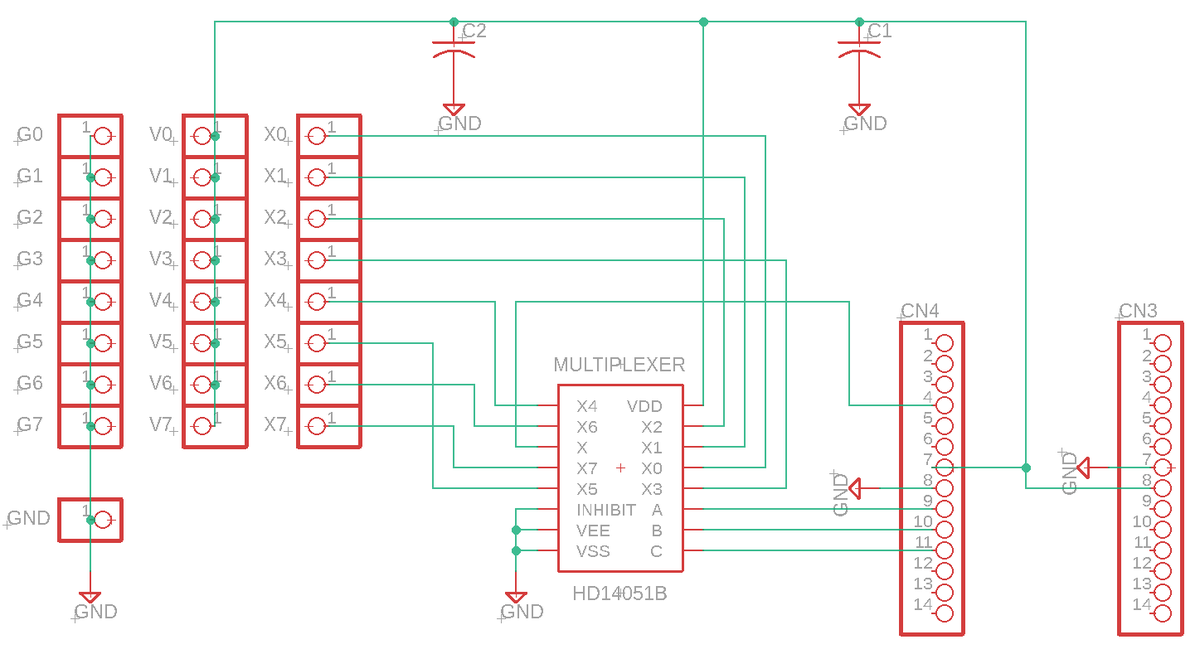
IchigoJamの標準機能でもポートをOUT→INへ切り替えれば8本の入力が取れるのですが、今回はマルチプレクサIC・HD14051Bを使って、8本の入力を切り替えてIN2/ANA2で読み取れるようにしました。
動画にあるピアノや危機一髪ゲームのほか、デジタル/アナログセンサ8個をつないで切り替えて読み取ることもできます。

GNDのリード線の先は、パッドを傷つけないように丸めると良いです。
基板

- Fusion PCB用ガーバーデータ(ZIP)(100×62mm)
*同じ基板を2枚割り付けしています。
*この基板データは、CC BYライセンスとします。どうぞご利用ください。

(C) 2021 Shiro Saito (https://www.ichigojaman.jp)
材料
- 8chアナログマルチプレクサ/デマルチプレクサ HD14051BP
- 積層セラミックコンデンサー 0.1μF50V X7R 2.54mm (10個入) ×2個
- ピンヘッダ 1×40 (40P) 14P×2本
- 耐熱通信機器用ビニル電線 2m×10色 導体径0.65mm 単芯
- ブレッドボードワイヤをはんだ付けしてもいいですが、単芯線の方がしっかりしていて切れにくいです。
プログラム
ピアノ
GNDのリード線でX0~X7のパッドをタッチすると、ドレミファソラシドの音階を奏でます。
OUT1~OUT3の出力でマルチプレクサIC・HD14051Bをスイッチングして、8個のパッドにタッチしたかどうかを読み取っています。
30行の8個のMML設定を変えると、奏でる音階が変わります。
10 '*PIANO 20 VIDEO 0 30 LET [0],"L8C","L8D","L8E","L8F","L8G","L8A","L8B","L8<C" 40 FOR P=0 TO 7 50 OUT P 60 IF !IN(2) PLAY [P] 70 NEXT 80 GOTO 40
危機一髪ゲーム
スチールたわしにGNDのリード線を刺して、プログラムを起動します。
X0~X7の8本のリード線(剣)をスチールたわしに刺していくと、当たりの剣でLEDが点灯してブザーが鳴ります。
剣を全て抜いた後、IchigoJamのボタンを押すとリプレイできます。
スチールたわしに人形を付けたりすると面白いでしょう。
10 '*KIKI IPPATSU 20 LED 0 30 OUT RND(8) 40 IF IN(2) CONT 50 LED 1 60 BEEP 10,120 70 WAIT 120 80 IF !BTN() CONT 90 WAIT 60 100 RUN
ソレノイドを使って人形を飛ばす危機一髪ゲームはこちら。
www.ichigojaman.jp