*この記事はIchigoJam Advent Calendar 2022に参加しています。
以前、IchigoJamにマイクモジュールとLEDを差して「ふき消しろうそく」を作りました。
www.ichigojaman.jp
これをIchigoJamを使わずに、電子回路で再現してみました。
動画はこちら。
www.youtube.com

マイクに向かって息を「フッ」と吹きかけると、ろうそく形のLEDがON/OFFします。
簡単な回路なので、ブレッドボードやユニバーサル基板でも組めると思います。
電子工作の入門にいかがでしょうか。
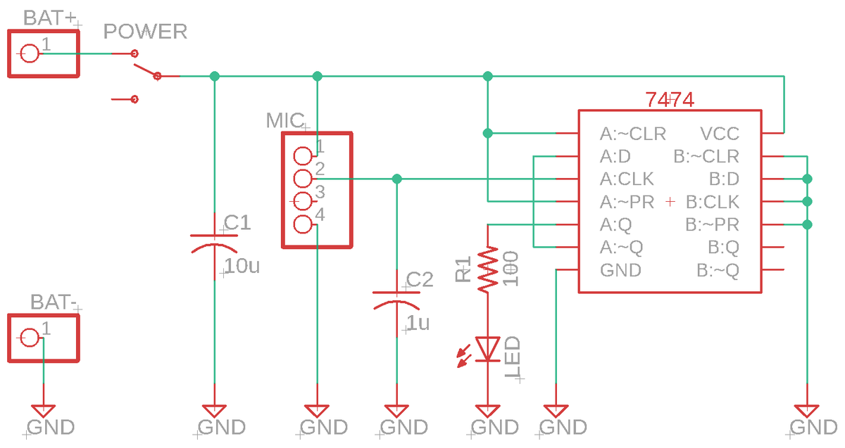
回路図

LEDはフリップフロップIC・7474のQ出力につながっていて、電源ON直後はQ=Hとなって点灯します。
7474のD端子はQ端子とつながっているので、LEDが点灯している時(Q=H・Q=L)はD端子へLが入力、LEDが消灯している時(Q=L・Q=H)はD端子へHが入力されます。
ここでマイクが息の音を拾い、L→Hの立ち上がり信号が7474のCLK(クロック)へ入力されると、LEDが点灯している時(DがL)はQがH→Lに切り替わって消灯、LEDが消灯している時(DがH)はQがL→Hに切り替わって点灯します。
よってマイクを息で吹くと、LEDをON/OFF切り替えできることになります。
基板データ
- Fusion PCB用ガーバーデータ(ZIP)(97×97mm)
*同じ基板を6枚配置しています。
*この基板データは、CC BYライセンスとします。どうぞご利用ください。

(C) 2022 Shiro Saito (https://www.ichigoaman.jp)
材料
- カーボン抵抗(炭素皮膜抵抗) 1/4W100Ω (100本入)
- スライドスイッチ 1回路2接点 基板用 横向き
- ICソケット (14P) (10個入)
- 2回路Dフリップフロップ TC74HC74AP
- 超小型シリコンマイクモジュール SPU0414HR5H-SB使用
- 基板裏面のジャンパーは、はんだでブリッジしてつないでください。
- 工作教室の教材として使う場合は、ブリッジ作業はスタッフが事前にやっておいた方が良いでしょう。
- ピンヘッダ 1×40 (40P)
- 4ピンにカットして、マイクモジュールにはんだ付けします。
- 工作教室の教材として使う場合は、スタッフが事前にはんだ付けしておいた方が良いでしょう。
- 絶縁ラジアルリード型積層セラミックコンデンサー 10μF25V5mmピッチ (10個入) C1
- 積層セラミックコンデンサー 1μF50V Y5V 2.54mm (10個入) C2
- 5mmLEDホルダー(スペーサー) OSB502P-15
- ろうそくっぽくするために、ホワイトマーカーで白く塗ってみました。アクリル絵の具で塗ると、もっと綺麗になると思います。
- RGBイルミネーションフルカラーLED OST1MA58K2B
- 電池ボックス 単4×2本 リード線
- 動作が確認できたら、電池ボックスを両面テープで基板の裏に貼り付けると、全体がコンパクトになります。
