※この記事は「IchigoJam Advent Calendar 2023」に参加しています。
IchigoJamやIchigoDakeに差してバーサライタ(POV)を作る拡張基板です。
電源の乾電池も搭載しているので、単独で動かせます。
紹介動画はこちら。
www.youtube.com


IchigoJamやIchigoDakeのピンソケットに差して使います。
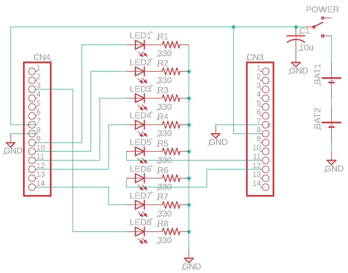
回路図

OUT1~8に8本のLEDをつないでいます。
基板データ
- Fusion PCB用ガーバーデータ(ZIP)(58×100mm)
*同じ基板を2枚配置しています。
*この基板データは、CC BYライセンスとします。どうぞご利用ください。

(C) 2023 Shiro Saito (https://www.ichigoaman.jp)
材料
だいたい以下の順番ではんだ付けすると作りやすいです。
バーサライタ(POV)プログラム
- 左右に振るとハート形「♥」が見えます。
- ファイル0番に保存すると、電源ONで自動起動します。
10 @ARUN:OUT 8,0 100 [0]=`01110000 110 [1]=`11111000 120 [2]=`11111100 130 [3]=`01111110 140 [4]=`00111111 150 [5]=`01111110 160 [6]=`11111100 170 [7]=`11111000 180 [8]=`01110000 190 FOR L=0 TO 9 200 OUT [L] 210 NEXT 220 GOTO 190
100~180行が文字パターンで、「1」がLED点灯、「0」が消灯です。
リストを横に寝かせて見ると、「1」のパターンがハート形になっているのがわかります。
この9行のパターンを変えると、見える文字が変わります。
ただし、右に振る時と左に振る時で反対に見えるので、ハートのように左右対称の文字の方が綺麗に見えます。
