IchigoJamの14ピンソケットに立てるタイプの信号機です。
動かしてみた動画はこちら。
【IchigoJam】立形信号機

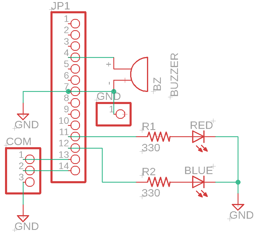
車用・歩行者用それぞれの専用基板を作りました。
車用には光センサー(フォトトランジスタ)、歩行者用には圧電ブザーが付いています。
(PCN三重・チーム伊勢さんが販売する信号機と差別化 ^_^; )






基板データ
*この基板ガーバーデータは、CC BYライセンスとします。どうぞご利用ください。

(C) 2018 Shiro Saito (https://www.ichigojaman.jp)
材料
いずれも秋月電子。
- カーボン抵抗(炭素皮膜抵抗) 1/4W 330Ω (100本入)
- カーボン抵抗(炭素皮膜抵抗) 1/4W 100kΩ (100本入)
- ピンヘッダ (オスL型) 1×40 (40P)
- 3mm青色LED 470nm 70° OSB5YU3Z74A (100個入)
- 3mm黄色LED 70° OSY5JA3Z74A (100個入)
- 3mm赤色LED 70° OSR5JA3Z74A (100個入)
- 照度センサ(フォトトランジスタ) 560nm NJL7502L (2個入)
- 圧電スピーカー(圧電サウンダ)(13mm)PKM13EPYH4000-A0
※書いてある順番ではんだ付けすると作りやすいです。
プログラム
動かし方はプログラム次第ですが、動画のプログラムはこちら。
10 'TRAFFIC LIGHT MELODY 20 VIDEO 0,30:OUT 0 30 OUT 1,1 40 OUT 5,1 45 IF ANA(2)<300 GSB 300:GOTO 60 50 IF !BTN() GOTO 45 60 OUT 1,0 70 OUT 2,1 80 WAIT 4 90 OUT 2,0 100 OUT 3,1 110 WAIT 4 120 OUT 5,0 130 OUT 6,1 140 VIDEO 0,1 150 PLAY "O4L8 E2E4D4E4ED>B2 <F4FFA4FEFEDDE2 FFFF4AFEFEDDE2" 160 WAIT 720 170 FOR I=1 TO 3 180 OUT 6,1 190 PLAY "F4" 200 WAIT 30 210 OUT 6,0 220 PLAY "B4" 230 WAIT 30 240 NEXT 250 VIDEO 0,30 260 OUT 5,1 270 WAIT 4 280 OUT 3,0 290 GOTO 30 300 OUT 1,0 310 OUT 2,1 320 WAIT 1 330 OUT 2,0 340 WAIT 1 350 IF ANA(2)<300 GOTO 300 360 RTN
プログラミングテキスト
十勇士パソコンクラブのページで、プログラミングテキストを公開しています。www.white.umic.jp